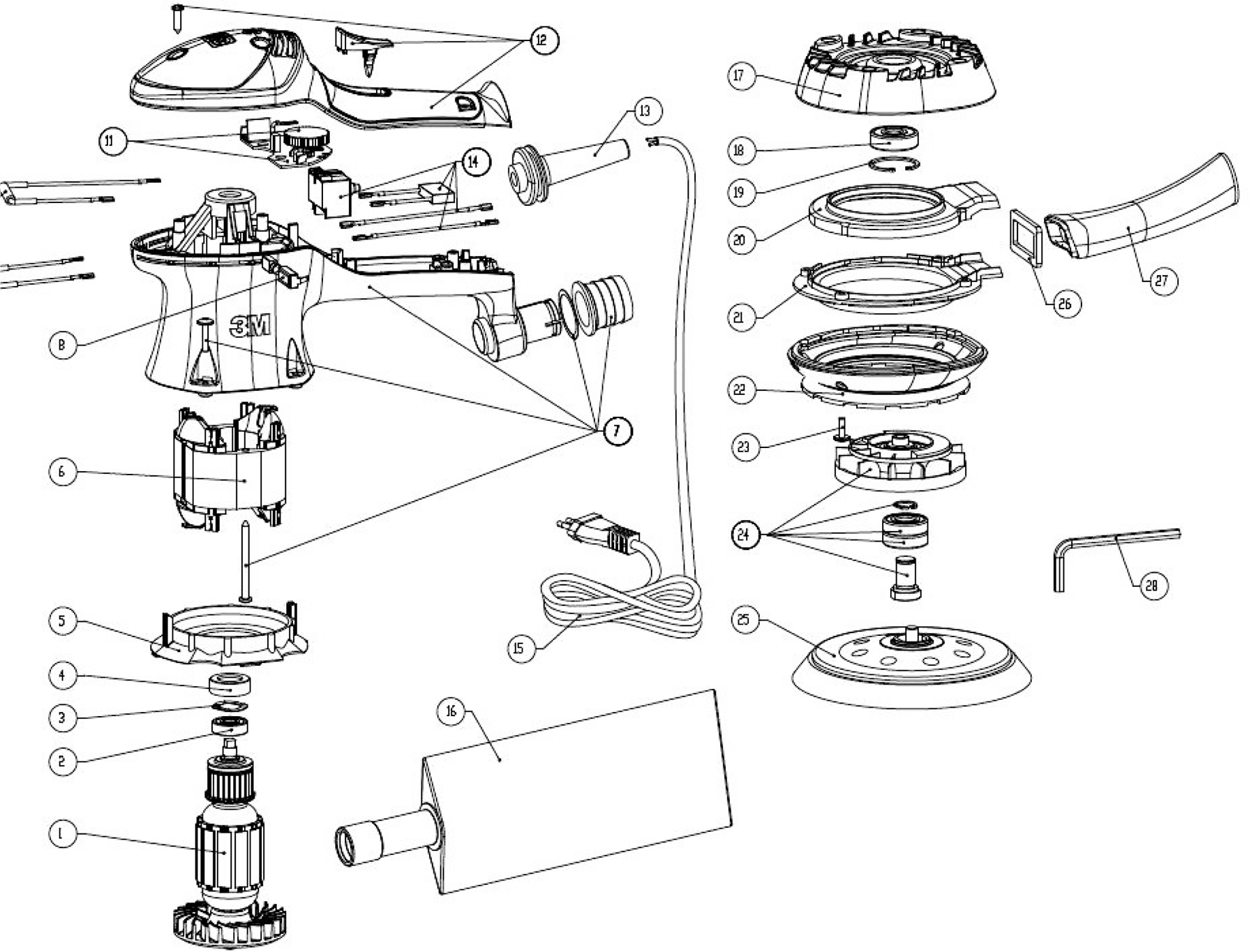
Ersatzteile 3M elektrische Exzenterschleifer
Kugellager (3M9520001)
Wellenscheibe (3M9520002)
Lagerdämpfung (3M9520003)
Staubschutz (3M9520004)
Stator 230V - 50 Hz (3M9520205)
Gehäuse (3M9520006)
Absaugadapter (3M9520007)
O-Ring (3M9520009)
Satz Schraube, 4 Stck. (3M9520010)
Kohlebürste0 (3M9520012), Kohlehalter (3M9520013)
Elektr. Drehzahlregelung 230V - 50 Hz (3M9520216)
Starthebel (3M9520017)
Obere Griffschale 5 mm (3M9520018), obere Griffschale 3mm (3M9520019)
Schraube, 1 Stk. (3M9520020)
Kabelknickschutz (3M9510047)
E-Ein/Ausschalter (3M9520021)
Entstörkondensator (3M9520022)
Kabel (3M9520023)
Netzkabel DE 230V (3M9510555)
Staubbeutel (3M20452)
Aluminiumflansch (3M9520024)
Kugellager (3M9520025)
Seegerring (3M9520026)
obere Absaugschale (3M9520027)
untere Abaugschale (3M9520028)
Gummischutz (3M9520029)
Satz Schrauben M4x18, 4 Stck. (3M9520030)
Balancer Paket komplett 3mm (3M9520031), Balancer Paket komplett 5mm (3M9520032)
Klett-Teller (3M9520033)
Dichtung (3M9520034)
Absaugstutzen (3M9520035)
Inbusschlüssel (3M9520026)
Rotor 230V - 50 Hz (3M9520201)
Typ 64384 3 mm Hub Hookit mit Absaugung
Typ 64380 5 mm Hub Hookit mit Absaugung
Ersatzteilliste
Modelle mit 150 mm Tellerdurchmesser
| Abb.-Nr. | 3M-Teil-Nummer | Beschreibung |
| 1 | 3M9520201 | Rotor 230V – 50 Hz |
| 2 | 3M9520001 | Kugellager |
| 3 | 3M9520002 | Wellenscheibe |
| 4 | 3M9520003 | Lagerdämpfung |
| 5 | 3M9520004 | Staubschutz |
| 6 | 3M9520205 | Stator 230V – 50 Hz |
| 7 | Hauptgehäuse | |
| 7.1 | 3M9520006 | Gehäuse |
| 7.2 | 3M9520007 | Absaugadapter |
| 7.3 | 3M9520008 | Satz Schrauben, 2 Stck. |
| 7.4 | 3M9520009 | O-Ring |
| 7.5 | 3M9520010 | Satz Schraube, 4 Stck. |
| 7.6 | 3M9520011 | Distanzscheibe |
| 8 | Bürstenteil | |
| 8.1 | 3M9520012 | Kohlebürste |
| 8.2 | 3M9520013 | Kohlehalter |
| 9 | 3M9520014 | Induktiver Widerstand rechts |
| 10 | 3M9520015 | Induktiver Widerstand links |
| 11 | 3M9520216 | Elektr. Drehzahlregelung 230V – 50 Hz |
| 12 | Obere Gehäuseschale | |
| 12.1 | 3M9510051 | Satz Schrauben, 2 Stck. |
| 12.2 | 3M9520017 | Starthebel |
| 12.3 | 3M9520018 | obere Griffschale 5 mm |
| 12.4 | 3M9520019 | obere Griffschale 3mm |
| 12.5 | 3M9520020 | Schraube, 1 Stk. |
| 13 | 3M9510047 | Kabelknickschutz |
| 14 | Hauptschaltereinheit | |
| 14.1 | 3M9520021 | E-Ein/Ausschalter |
| 14.2 | 3M9520022 | Entstörkondensator |
| 14.3 | 3M9520023 | Kabel |
| 15 | 3M9510555 | Netzkabel DE 230V |
| 16 | 3M20452 | Staubbeutel |
| 17 | 3M9520024 | Aluminiumflansch |
| 18 | 3M9520025 | Kugellager |
| 19 | 3M9520026 | Seegerring |
| 20 | 3M9520027 | obere Absaugschale |
| 21 | 3M9520028 | untere Abaugschale |
| 22 | 3M9520029 | Gummischutz |
| 23 | 3M9520030 | Satz Schrauben M4x18, 4 Stck. |
| 24 | Balancer | |
| 24.1 | 3M9520031 | Balancer Paket komplett 3mm |
| 24.2 | 3M9520032 | Balancer Paket komplett 5mm |
| 25 | 3M9520033 | Klett-Teller |
| 26 | 3M9520034 | Dichtung |
| 27 | 3M9520035 | Absaugstutzen |
| 28 | 3M9520026 | Inbusschlüssel |
